不銹鋼壓力表廣泛用于石油、化工、化纖、冶金、電站等工業部門中對耐腐、抗振有要求較高的工藝流程中測量各種流體介質的壓力。
本儀表的整體結構設計合理、工藝精致,具有較高的測量精確度和持久的穩定性,因此不僅可提供出口,尤為國內用戶對引進國外先進技術裝備中的同類儀表實現國產化的理想配套產品。
本儀表的防護等級:IP64
主要技術指標

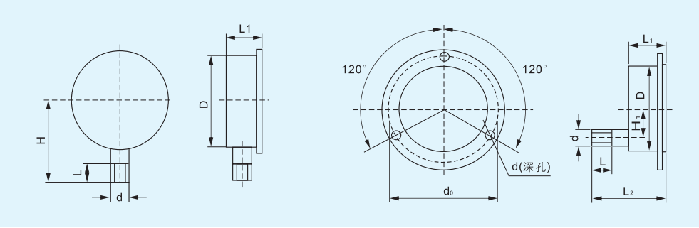
外形尺寸(mm)



用途及特點本儀表廣泛應用于石油、化工、化纖、冶金、電站等工業部門中有耐腐、耐振等要求較高的工藝流程中測量各種流體介質的壓力。本儀表具有如下眾多的特點,...
主要技術指標外形尺寸(mm)
用途及特點本儀表廣泛應用于石油、化工、化纖、冶金、電站等工業部門中有耐腐、耐振等要求較高的工藝流程中測量各種流體介質的壓力。本儀表具有如下眾多的特點,...
用途及特點本儀表廣泛應用于石油、化工、化纖、冶金、電站等工業部門中有耐腐、耐振等要求較高的工藝流程中測量各種流體介質的壓力。本儀表具有如下眾多的特點,...
用途及特點本儀表廣泛應用于石油、化工、化纖、冶金、電站等工業部門中有耐腐、耐振等要求較高的工藝流程中測量各種流體介質的壓力。本儀表具有如下眾多的特點,...